ジーエルサイエンスGC用アクセサリー
ジーエルサイエンスGC用 パックドカラムアクセサリー
ガラスライナー( GC-3200、GC 3210、GC-4000、GC-4000 Plus用)
| 品名 | 入数 | Cat.No. | 価格 |
|---|---|---|---|
| ガラスライナー | 2本 | 2701-22753 | 6,800 |
ライナースペーサ/ライナーリング( GC-3200、GC 3210、GC-4000、GC-4000 Plus用)
| 品名 | 入数 | Cat.No. | 価格 |
|---|---|---|---|
| 注入口用SUS カラムアダプター 1/8" | 1式 | 2701-22751 | 11,700 |
| ライナースペーサ | 1個 | 2701-22754 | 4,800 |
| ライナーリング | 2個 | 2701-22755 | 1,500 |
Oリング

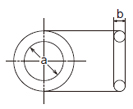
PタイプOリング寸法図
・高温シリコン
280ºCまで弾性を失わず約300ºCで硬化が始まります。
カラムへの付着は少ないです。
・赤シリコン
耐熱、耐寒性(-60ºC~230ºC)にすぐれています。
機械的性質が弱く高温の水蒸気で分解します。
| 呼称 | 材質 | サイズ(a×b) | 入数 | Cat.No. | 価格 |
|---|---|---|---|---|---|
| P-4 | 高温シリコン | 3.8×1.9 | 20個 | 3007-11604 | 販売中止 |
| P-5 | 高温シリコン | 4.8×1.9 | 20個 | 3007-11605 | 販売中止 |
| P-4 | 赤シリコン | 3.8×1.9 | 20個 | 3007-11404 | 4,200 |
| P-5 | 赤シリコン | 4.8×1.9 | 20個 | 3007-11405 | 5,000 |
注)P-4:φ5 ガラスカラム用 P-5:φ6 ガラスカラム用
グラファイトフェラル

純天然の黒鉛を成形したもので、耐熱、耐薬品性、耐腐食に優れて
おり、高温での使用に適しています。
・耐熱〜450 ℃
| 品名 | 入数 | Cat.No. | 価格 |
|---|---|---|---|
| グラファイトフェラル | 10個 | 3007-14164 | 10,000 |



























