調整器
圧力調整器GF1シリーズ
一段式圧力調整器は、ガス容器内の高圧ガスを一度の減圧で所定の吐出圧力まで下げるシンプルな構造です。容器内圧力が低下すると、弁にかかる力のバランスが変わるため、吐出圧力がわずかに変動する特性があります。構造が簡単で取り扱いやすく、一般的なガス供給用途に広く使用されています。
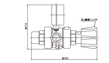
外観図
仕様
| 1次側圧力計 | 25MPa |
| 2次側圧力計 | 1.0MPa |
| 使用圧力 | 0~0.6MPa |
入口接続と対象ガス
| 入口接続 | 対象ガス |
| W22-14山(右)メス | N2、Ar、Air |
| W21-14山(左)メス | He |
| W22-14山(左)メス | H2 |
| 仕様 | 材質 | 入口接続 | 出口接続 | 型式 | 入数 | Cat.No. | 価格 |
|---|---|---|---|---|---|---|---|
| 1段式 | BS | W22-14山(右) メス | Rc1/4(1/4PTメス) | GF1-2510-RX-V | 1台 | 3025-00001 | 25,400 |
| 1段式 | BS | W21-14山(左) メス | Rc1/4(1/4PTメス) | GF1-2510-HX-V | 1台 | 3025-00002 | 25,400 |
| 1段式 | BS | W22-14山(左) メス | Rc1/4(1/4PTメス) | GF1-2510-LX-V | 1台 | 3025-00003 | 25,400 |



























